Главная > Подшипники> Роликовые > Радиально-упорные>33275/33462

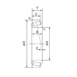
33275/33462 — Однорядный конический роликовый подшипник, импортное производство по ISO стандарту, размер 69x117x30 номер основного исполнения .
Производится брендами: CX, FBJ, Fersa, ISO, KOYO, NACHI, NIS, NSK, TIMKEN.
Цена от:1 685 р.
Цена на подшипник зависит от:
Габаритные размеры
Размеры и геометрические характеристики
Нагрузка и ресурс
Защита
Коэффициенты для расчета
Присоединительные размеры
Конструкция и исполнение
Прочие характеристики