Главная > Подшипники> Роликовые > Радиально-упорные>33219JR

33219JR — Подшипник роликовый радиально-упорный, импортное производство по ISO стандарту, размер 95x170x58 номер основного исполнения 33219.
Производитель: KOYO.
J = Сепаратор стальной штампованный незакалённый.
Цена по запросу
Цена на подшипник зависит от:
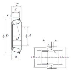
Габаритные размеры
Размеры и геометрические характеристики
Нагрузка и ресурс
Защита
Коэффициенты для расчета
Присоединительные размеры
Конструкция и исполнение