Главная > Подшипники> Роликовые > Радиально-упорные>33218JR

33218JR — Подшипник роликовый радиально-упорный, импортное производство по ISO стандарту, размер 90x160x55 номер основного исполнения 33218.
Производитель: KOYO.
J = Сепаратор стальной штампованный незакалённый.
Цена по запросу
Цена на подшипник зависит от:
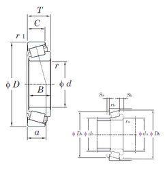
Габаритные размеры
Размеры и геометрические характеристики
Нагрузка и ресурс
Защита
Коэффициенты для расчета
Присоединительные размеры
Конструкция и исполнение
Конический роликоподшипник 4T-6581X/6525X (NTN)
Конический роликоподшипник BT1-0513 (SKF)