Главная > Подшипники> Роликовые > Радиально-упорные>332167

332167 — Двухрядный конический роликоПодшипник конфигурации TDI, импортное производство по ISO стандарту, размер 650x400x240 основное исполнение.
Производитель: SKF.
Цена по запросу
Цена на подшипник зависит от:
| Обозначение | Модификация |
|---|---|
| BT2B 332167 C/HA3 | С = Необслуживаемые концы стержней, внутренняя резьба. |
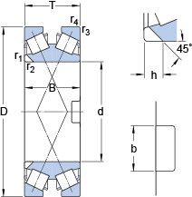
Габаритные размеры
Размеры и геометрические характеристики
Нагрузка и ресурс
Коэффициенты для расчета
Присоединительные размеры
Конструкция и исполнение