Главная > Подшипники> Роликовые > Радиально-упорные>332068

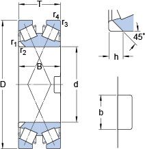
332068 — Двухрядный конический роликоПодшипник конфигурации TDI, импортное производство по ISO стандарту, размер 560x305x200 основное исполнение.
Производитель: SKF.
Цена по запросу
Цена на подшипник зависит от:
Габаритные размеры
Размеры и геометрические характеристики
Нагрузка и ресурс
Коэффициенты для расчета
Присоединительные размеры
Конструкция и исполнение