Главная > Подшипники> Роликовые > Радиально-упорные>33205J

33205J — Однорядный конический роликовый подшипник, импортное производство по ISO стандарту, размер 25x52x22 номер основного исполнения 33205.
Производитель: KBC.
J = Сепаратор стальной штампованный незакалённый.
Цена от:376 р.
Цена на подшипник зависит от:
| Обозначение | Модификация |
|---|---|
| 33205 | Основное конструктивное исполнение. |
| 33205F | Механически обработанный сепаратор из стали или чугуна, центрируемый по телам качения. |
| 33205 A | A = внутренняя модификация конструкции. |
| 33205/Q | Q = тихий ход работы подшипника. |
| 33205JR | R = Наружное кольцо с фланцем . |
| 4T-33205 | |
| HR33205J | J = Сепаратор стальной штампованный незакалённый. |
| X33205/Y33205 | Y = Штампованный латунный сепаратор, центрируемый по телам качения. |
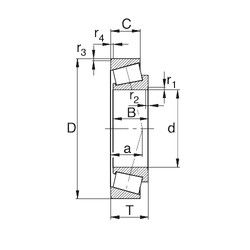
Габаритные размеры
Размеры и геометрические характеристики
Нагрузка и ресурс
Защита
Коэффициенты для расчета
Присоединительные размеры
Конструкция и исполнение
Подшипник роликовый радиально-упорный 3007205A (EPK)
Подшипник шариковый упорный 53305U+U305 (CX, ISO)
Подшипник шариковый двухрядный радиально-упорный 5205KD (TIMKEN)
Однорядный конический роликовый подшипник NP027538-90401 (TIMKEN)
Конический роликоподшипник NP027538/NP510716 (TIMKEN)