Главная > Подшипники> Роликовые > Радиально-упорные>332/32JR

332/32JR — Однорядный конический роликовый подшипник, импортное производство по ISO стандарту, размер 32x65x26 номер основного исполнения .
Производитель: KOYO.
J = Сепаратор стальной штампованный незакалённый.
Цена от:437 р.
Цена на подшипник зависит от:
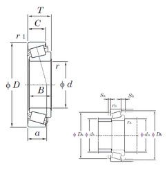
Габаритные размеры
Размеры и геометрические характеристики
Нагрузка и ресурс
Защита
Коэффициенты для расчета
Присоединительные размеры
Конструкция и исполнение
Подшипник роликовый радиально-упорный 332/32 (CYSD, ISO, NTN)
Подшипник роликовый радиально-упорный 332/32F (Fersa)
Подшипник роликовый радиально-упорный 332/32 A (CX)
Конический роликоподшипник 4T-332/32CSTPX1 (NTN)
Конический роликоподшипник 4T-332/32 (NTN)
Конический роликоподшипник FA-CR-06A82H/FA-CR06A80H (NTN)