Главная > Подшипники> Роликовые > Радиально-упорные>332/28JR

332/28JR — Однорядный конический роликовый подшипник, импортное производство по ISO стандарту, размер 28x58x24 номер основного исполнения .
Производитель: KOYO.
J = Сепаратор стальной штампованный незакалённый.
Цена от:437 р.
Цена на подшипник зависит от:
Габаритные размеры
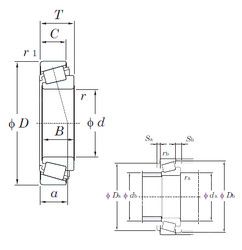
Размеры и геометрические характеристики
Нагрузка и ресурс
Защита
Коэффициенты для расчета
Присоединительные размеры
Конструкция и исполнение
Однорядный конический роликовый подшипник 332/28 (CYSD, ISO, NTN)
Подшипник роликовый радиально-упорный 332/28 A (CX)
Конический роликоподшипник 4T-332/28 (NTN)