Главная > Подшипники> Роликовые > Радиально-упорные>33110JR

33110JR — Подшипник роликовый радиально-упорный, импортное производство по ISO стандарту, размер 50x85x26 номер основного исполнения 33110.
Производитель: KOYO.
J = Сепаратор стальной штампованный незакалённый.
Цена от:1 137 р.
Цена на подшипник зависит от:
| Обозначение | Модификация |
|---|---|
| 33110 | Основное конструктивное исполнение. |
| 33110F | Механически обработанный сепаратор из стали или чугуна, центрируемый по телам качения. |
| 33110/Q | Q = тихий ход работы подшипника. |
| 33110 A | A = внутренняя модификация конструкции. |
| E33110J | J = Сепаратор стальной штампованный незакалённый. |
| 4T-33110 | |
| HR33110J | J = Сепаратор стальной штампованный незакалённый. |
| HR33110J-A-1 | A1 = Конический роликовый подшипник однорядный |
| X33110/Y33110 | 10Y = Сегментный латунный сепаратор |
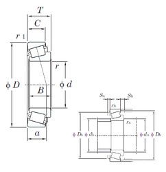
Габаритные размеры
Размеры и геометрические характеристики
Нагрузка и ресурс
Защита
Коэффициенты для расчета
Присоединительные размеры
Конструкция и исполнение