Главная > Подшипники> Роликовые > Радиально-упорные>33108JR

33108JR — Однорядный конический роликовый подшипник, импортное производство по ISO стандарту, размер 40x75x26 номер основного исполнения 33108.
Производитель: KOYO.
J = Сепаратор стальной штампованный незакалённый.
Цена от:725 р.
Цена на подшипник зависит от:
| Обозначение | Модификация |
|---|---|
| 33108 | Основное конструктивное исполнение. |
| 33108F | Механически обработанный сепаратор из стали или чугуна, центрируемый по телам качения. |
| 33108A | A = внутренняя модификация конструкции. |
| 33108/Q | Q = тихий ход работы подшипника. |
| E33108J | J = Сепаратор стальной штампованный незакалённый. |
| 4T-33108 | |
| HR33108J | J = Сепаратор стальной штампованный незакалённый. |
| 10R.33108.A | A = внутренняя модификация конструкции. |
| X33108/Y33108 | 8Y = Упорный шарикоподшипник двойного направления. |
| 4T-33108STPX2V3 | T = Нейлоновая клетка, армированная стекловолокном (радиальные роликовые подшипники). P = Литой сепаратор из стеклонаполненного полиамида 6,6, центрируемый по телам качения. |
| XAA33108/Y33108 | 8Y = Упорный шарикоподшипник двойного направления. |
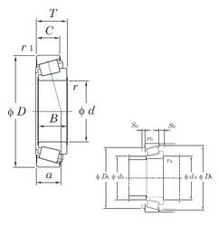
Габаритные размеры
Размеры и геометрические характеристики
Нагрузка и ресурс
Защита
Коэффициенты для расчета
Присоединительные размеры
Конструкция и исполнение