Главная > Подшипники>3310-B-TV

3310-B-TV — Подшипник шариковый двухрядный радиально-упорный, импортное производство по ISO стандарту, размер 50x110x44 номер основного исполнения 3310.
Производитель: NKE.
TV = Твердая клетка из армированного стекловолокном полиамида, шариковая езда.
Цена от:1 660 р.
Цена на подшипник зависит от:
| Обозначение | Модификация |
|---|---|
| 3310 | Основное конструктивное исполнение. |
| S3310 | |
| 3310A | A = внутренняя модификация конструкции. |
| NJ3310 | Однорядный цилиндрический роликоподшипник. Наружное кольцо имеет два борта, наружное — один борт. |
| NU3310 | Однорядный цилиндрический роликоподшипник. Наружное кольцо подшипника имеет два борта, а внутреннее кольцо бортов не имеет. |
| 3310 D | D = профиль наружного кольца, усовершенствованный, с увеличенной зоной несущей нагрузки и оптимизированными краевыми переходами. |
| 3310DMA | MA = Механически обработанный латунный сепаратор, центрируемый по наружному кольцу. |
| 3310-BD | BD = Модифицированная внутренняя конструкция, угол контакта α = 30 градусов, без отверстия для заполнения. |
| NUP3310 | Однорядный цилиндрический роликоподшипник. Наружное кольцо имеет два борта, внутреннее — один борт и одно свободное фланцевое кольцо. Основные размеры по DIN 5412-1, относится к подтипу фиксированные подшипники, разъемные, с сепаратором. |
| 3310 ZZ | ZZ = Два металлических экрана. |
| 3310 ATN | TN = Полиамидная клетка. |
| 3310-2RS | Резиновые уплотнения с каждой стороны подшипника. |
| 3310A-2Z | 2Z = Металлические шайбы с каждой стороны подшипника. |
| S3310-2RS | Резиновые уплотнения с каждой стороны подшипника. |
| 3310 ATN9 | TN = Полиамидная клетка. |
| 3310-DA-MA | MA = Механически обработанный латунный сепаратор, центрируемый по наружному кольцу. |
| 3310DNRCBM | D = (Сегментный контактный мат., Код S / P) = Сталь / PFTE. N = R = как стандарт, но внутреннее кольцо с твердым хромированием. |
| 3310 ATNZZ | TN = Полиамидная клетка. |
| 3310A-2RS1 | A = Двухрядный радиально = упорный шарикоподшипник без отверстий для смазки. 2RS1 = стальное армированное контактное уплотнение из акрилонитрилбутадиенового каучука (NBR) с обеих сторон подшипника. |
| 3310-B-TVH | TV = Твердая клетка из армированного стекловолокном полиамида, шариковая езда. |
| E2.3310A-2Z | Energy Efficient bearings. 2Z = Металлические шайбы с каждой стороны подшипника. |
| 3310 ATN2RS | Резиновые уплотнения с каждой стороны подшипника. |
| 3310-BD-TVH | BD = Модифицированная внутренняя конструкция, угол контакта α = 30 градусов, без отверстия для заполнения. TVH = литой полиамидный сепаратор с защелкой, катящийся элемент. |
| 3310-B-2Z-TV | 2Z = Металлические шайбы с каждой стороны подшипника. |
| 3310-BD-2Z-TVH | BD = Модифицированная внутренняя конструкция, угол контакта α = 30 градусов, без отверстия для заполнения. 2Z = щиты с обеих сторон подшипника. TVH = формованная полиамидная сепаратор с защелкой, катящийся элемент. |
| 3310-B-2RSR-TV | 2RSR = Резиновые уплотнения с каждой стороны подшипника. |
| 3310-BD-2HRS-TVH | BD = Модифицированная внутренняя конструкция, угол контакта α = 30 градусов, без отверстия для заполнения. 2HRS = Манжетные уплотнения на обеих сторонах, изготовленные из бутадиен-нитрильного каучука, эти конструкции смазываются на весь срок службы высококачественной смазкой и подходят для умеренных скоростей. Момент трения и тепловыделение ниже, чем у предыдущего уплотнения RSR. TVH = формованная полиамидная сепаратор с защелкой, катящийся элемент. |
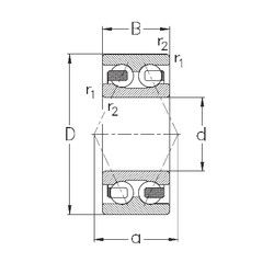
Габаритные размеры
Размеры и геометрические характеристики
Нагрузка и ресурс
Защита
Присоединительные размеры
Конструкция и исполнение
Подшипник шариковый радиально-упорный двухрядный 20-3056310 (ГПЗ-23)
Подшипник шариковый радиально-упорный двухрядный 3056310 (ГПЗ-23)
Подшипник шариковый радиально-упорный 3056310 Л (ГПЗ-1)
Подшипник однорядный шариковый радиальный 63310 ZZ (CX, ISO, NTN)
Подшипник однорядный шариковый радиальный 63310-2RS (CX, ISO)
Подшипник однорядный шариковый радиальный 63310LLU (NTN)