Главная > Подшипники> Шариковые> Радиально-упорные>3303-B-TVH

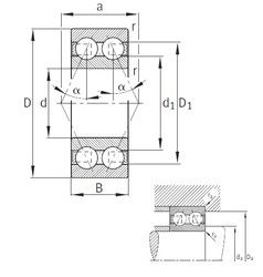
3303-B-TVH — Подшипник шариковый двухрядный радиально-упорный, импортное производство по ISO стандарту, размер 17x47x22 номер основного исполнения 3303.
Производитель: FAG.
TV = Твердая клетка из армированного стекловолокном полиамида, шариковая езда.
Цена от:606 р.
Цена на подшипник зависит от:
| Обозначение | Модификация |
|---|---|
| 3303 | Основное конструктивное исполнение. |
| 3303A | A = внутренняя модификация конструкции. |
| S3303 | |
| 3303 ZZ | ZZ = Два металлических экрана. |
| 3303-2RS | Резиновые уплотнения с каждой стороны подшипника. |
| 3303A-2Z | 2Z = Металлические шайбы с каждой стороны подшипника. |
| 3303 ATN | TN = Полиамидная клетка. |
| 3303-B-TV | TV = Твердая клетка из армированного стекловолокном полиамида, шариковая езда. |
| 3303 ATN9 | TN = Полиамидная клетка. |
| S3303-2RS | Резиновые уплотнения с каждой стороны подшипника. |
| 3303A-2RS1 | A = Двухрядный радиально = упорный шарикоподшипник без отверстий для смазки. 2RS1 = стальное армированное контактное уплотнение из акрилонитрилбутадиенового каучука (NBR) с обеих сторон подшипника. |
| 3303 ATNZZ | TN = Полиамидная клетка. |
| 3303-BD-TVH | BD = Модифицированная внутренняя конструкция, угол контакта α = 30 градусов, без отверстия для заполнения. TVH = литой полиамидный сепаратор с защелкой, катящийся элемент. |
| 3303 ATN2RS | Резиновые уплотнения с каждой стороны подшипника. |
| 3303-B-2Z-TV | 2Z = Металлические шайбы с каждой стороны подшипника. |
| 3303-BD-2Z-TVH | BD = Модифицированная внутренняя конструкция, угол контакта α = 30 градусов, без отверстия для заполнения. 2Z = щиты с обеих сторон подшипника. TVH = формованная полиамидная сепаратор с защелкой, катящийся элемент. |
| 3303-B-2RSR-TV | 2RSR = Резиновые уплотнения с каждой стороны подшипника. |
| 3303-BD-2HRS-TVH | BD = Модифицированная внутренняя конструкция, угол контакта α = 30 градусов, без отверстия для заполнения. 2HRS = Манжетные уплотнения на обеих сторонах, изготовленные из бутадиен-нитрильного каучука, эти конструкции смазываются на весь срок службы высококачественной смазкой и подходят для умеренных скоростей. Момент трения и тепловыделение ниже, чем у предыдущего уплотнения RSR. TVH = формованная полиамидная сепаратор с защелкой, катящийся элемент. |
| 3303 A-2ZTN9/MT33 | 2Z = Металлические шайбы с каждой стороны подшипника. |
Габаритные размеры
Размеры и геометрические характеристики
Нагрузка и ресурс
Защита
Присоединительные размеры
Конструкция и исполнение
Подшипник шариковый из нержавеющей стали W 6303 (CYSD, SKF)
Подшипник шариковый радиально-упорный 3056303 К1 (ГПЗ-23)
Подшипник шариковый радиально-упорный двухрядный 3056303 (ГПЗ-23)
Подшипник шариковый радиально-упорный 3056303 Е (ГПЗ-23)
Подшипник шариковый радиальный W6303-2RS (CYSD)
Подшипник шариковый радиальный W6303-ZZ (CYSD)