Главная > Подшипники> Роликовые > Радиально-упорные>32992

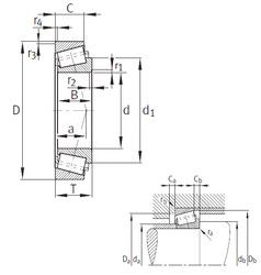
32992 — Конический роликоподшипник, импортное производство по ISO стандарту, размер 110x150x25 основное исполнение.
Производитель: FAG.
Цена по запросу
Цена на подшипник зависит от:
Габаритные размеры
Размеры и геометрические характеристики
Нагрузка и ресурс
Защита
Коэффициенты для расчета
Присоединительные размеры
Конструкция и исполнение
Однорядный конический роликовый подшипник 32922 (CYSD, FAG, ISB, ISO, NIS)
Подшипник роликовый радиально-упорный 32922JR (KOYO)
Конический роликоподшипник 32922XA2 (NTN)
Подшипник роликовый радиально-упорный 32922A (CX, ZVL)
Конический роликоподшипник 32922X (NTN)
Конический роликоподшипник E32922J (NACHI)