Главная > Подшипники> Роликовые > Радиально-упорные>32984

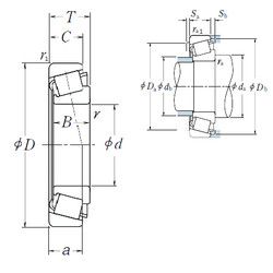
32984 — Конический роликоподшипник, импортное производство по ISO стандарту, размер 420x560x87 основное исполнение.
Производится брендами: NSK, NTN.
Цена по запросу
Цена на подшипник зависит от:
Габаритные размеры
Размеры и геометрические характеристики
Нагрузка и ресурс
Защита
Коэффициенты для расчета
Присоединительные размеры
Конструкция и исполнение