Главная > Подшипники> Роликовые > Радиально-упорные>32968JR

32968JR — Подшипник роликовый радиально-упорный, импортное производство по ISO стандарту, размер 340x460x76 номер основного исполнения 32968.
Производитель: KOYO.
J = Сепаратор стальной штампованный незакалённый.
Цена от:122 530 р.
Цена на подшипник зависит от:
| Обозначение | Модификация |
|---|---|
| 32968 | Основное конструктивное исполнение. |
| 32968X | X = Внешние размеры, соответствующие международным стандартам. |
| 32968E1 | E1 = Проектирование повышенной емкости. |
| 32968 A | A = внутренняя модификация конструкции. |
| HR32968J | J = Сепаратор стальной штампованный незакалённый. |
| 32968XUE1 | E1 = Проектирование повышенной емкости. |
| 32968-N11CA | CA = Цельный обработанный латунный сепаратор, двойной зуб, удерживающие фланцы на внутреннем кольце и направляющем кольце, центрированные на внутреннем кольце. |
| 32968-N11CA-A550-600 | CA = Цельный обработанный латунный сепаратор, двойной зуб, удерживающие фланцы на внутреннем кольце и направляющем кольце, центрированные на внутреннем кольце. |
| 32968-N11CA-A200-250 | CA = Цельный обработанный латунный сепаратор, двойной зуб, удерживающие фланцы на внутреннем кольце и направляющем кольце, центрированные на внутреннем кольце. |
| 32968-N11CA-VA240-300 | CA = Цельный обработанный латунный сепаратор, двойной зуб, удерживающие фланцы на внутреннем кольце и направляющем кольце, центрированные на внутреннем кольце. |
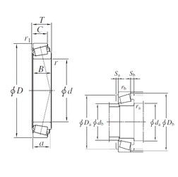
Габаритные размеры
Размеры и геометрические характеристики
Нагрузка и ресурс
Защита
Коэффициенты для расчета
Присоединительные размеры
Конструкция и исполнение
Подшипник роликовый радиально-упорный 2007968 (ГПЗ-15)
Подшипник роликовый радиально-упорный 5-2007968 (ГПЗ-9)