Главная > Подшипники> Роликовые > Радиально-упорные>32964

32964 — Однорядный конический роликовый подшипник, импортное производство по ISO стандарту, размер 320x440x76 основное исполнение.
Производится брендами: FAG, ISB, ISO, NIS, NSK, SKF.
Цена по запросу
Цена на подшипник зависит от:
| Обозначение | Модификация |
|---|---|
| 32964X | X = Внешние размеры, соответствующие международным стандартам. |
| 32964JR | R = Наружное кольцо с фланцем . |
| 32964E1 | E1 = Проектирование повышенной емкости. |
| 32964 A | A = внутренняя модификация конструкции. |
| HR32964J | J = Сепаратор стальной штампованный незакалённый. |
| 32964XUE1 | E1 = Проектирование повышенной емкости. |
| 32964-N11CA | CA = Цельный обработанный латунный сепаратор, двойной зуб, удерживающие фланцы на внутреннем кольце и направляющем кольце, центрированные на внутреннем кольце. |
| 32964-N11CA-A600-650 | CA = Цельный обработанный латунный сепаратор, двойной зуб, удерживающие фланцы на внутреннем кольце и направляющем кольце, центрированные на внутреннем кольце. |
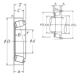
Габаритные размеры
Размеры и геометрические характеристики
Нагрузка и ресурс
Защита
Коэффициенты для расчета
Присоединительные размеры
Конструкция и исполнение
Прочие характеристики