Главная > Подшипники> Роликовые > Радиально-упорные>32930JR

32930JR — Подшипник роликовый радиально-упорный, импортное производство по ISO стандарту, размер 150x210x38 номер основного исполнения 32930.
Производитель: KOYO.
J = Сепаратор стальной штампованный незакалённый.
Цена от:8 840 р.
Цена на подшипник зависит от:
| Обозначение | Модификация |
|---|---|
| 32930 | Основное конструктивное исполнение. |
| 32930X | X = Внешние размеры, соответствующие международным стандартам. |
| 32930XU | X = Внешние размеры, соответствующие международным стандартам. |
| E32930J | J = Сепаратор стальной штампованный незакалённый. |
| 32930 A | A = внутренняя модификация конструкции. |
| HR32930J | J = Сепаратор стальной штампованный незакалённый. |
| 32930XUDF | Комплект подшипников расположенных лицом к лицу, дуплексная Х-образная пара. |
| X32930M/Y32930M | Y = Штампованный латунный сепаратор, центрируемый по телам качения. |
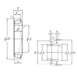
Габаритные размеры
Размеры и геометрические характеристики
Нагрузка и ресурс
Защита
Коэффициенты для расчета
Присоединительные размеры
Конструкция и исполнение
Подшипник роликовый радиально-упорный 163150/163210C (Gamet)
Подшипник роликовый радиально-упорный 163150/163210 (Gamet)