Главная > Подшипники> Роликовые > Радиально-упорные>32916JR

32916JR — Однорядный конический роликовый подшипник, импортное производство по ISO стандарту, размер 80x110x20 номер основного исполнения 32916.
Производитель: KOYO.
J = Сепаратор стальной штампованный незакалённый.
Цена по запросу
Цена на подшипник зависит от:
| Обозначение | Модификация |
|---|---|
| 32916 | Основное конструктивное исполнение. |
| 32916X | X = Внешние размеры, соответствующие международным стандартам. |
| 32916XU | X = Внешние размеры, соответствующие международным стандартам. |
| E32916J | J = Сепаратор стальной штампованный незакалённый. |
| 32916 A | A = внутренняя модификация конструкции. |
| HR32916J | J = Сепаратор стальной штампованный незакалённый. |
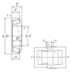
Габаритные размеры
Размеры и геометрические характеристики
Нагрузка и ресурс
Защита
Коэффициенты для расчета
Присоединительные размеры
Конструкция и исполнение
Подшипник роликовый радиальный с короткими цилиндрическими роликами без внутреннего кольца 292114
Подшипник роликовый радиальный с короткими цилиндрическими роликами без внутреннего кольца 292114Н
Подшипник роликовый радиально-упорный 2007916A (EPK)