Главная > Подшипники> Роликовые > Радиально-упорные>323176

323176 — Конический роликоподшипник, импортное производство по ISO стандарту, размер 380x620x194 основное исполнение.
Производитель: NTN.
Цена по запросу
Цена на подшипник зависит от:
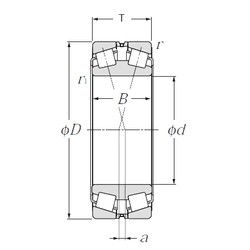
Габаритные размеры
Размеры и геометрические характеристики
Нагрузка и ресурс
Защита
Коэффициенты для расчета
Присоединительные размеры
Конструкция и исполнение
Подшипник роликовый радиальный самоцентрирующийся 23176 (ISB, SKF)
Подшипник роликовый радиальный сферический двухрядный с бортиками на внутреннем кольце с коническим отверстием внутреннего кольца, конусностью 1:12 3113776 (ГПЗ-1)
Подшипник роликовый радиальный сферический двухрядный с бортиками на внутреннем кольце с цилиндрическим отверстием внутреннего кольца 3003776 (ГПЗ-1)
Подшипник роликовый сферический 23218 E1A.M.C3 (SKF)
Подшипник роликовый сферический 23218 E1A.K.M.C3 (SKF)
Подшипник роликовый сферический 23218 CCK.C3W33 (SKF)