Главная > Подшипники> Роликовые > Радиально-упорные>323172

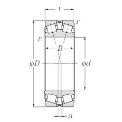
323172 — Конический роликоподшипник, импортное производство по ISO стандарту, размер 360x600x192 основное исполнение.
Производитель: NTN.
Цена по запросу
Цена на подшипник зависит от:
Габаритные размеры
Размеры и геометрические характеристики
Нагрузка и ресурс
Защита
Коэффициенты для расчета
Присоединительные размеры
Конструкция и исполнение
Подшипник роликовый радиальный самоцентрирующийся 23172 (FAG, ISB)
Подшипник роликовый сферический 23172 CC.C3W33 (FAG)
Подшипник роликовый сферический 23172 MB.C3 (FAG)
Подшипник роликовый сферический 23172 MB (FAG)
Подшипник роликовый сферический 23172 K.MB.C3 (FAG)
Подшипник роликовый сферический 23172 CCK.C3W33 (FAG)