Главная > Подшипники> Роликовые > Радиально-упорные>323152

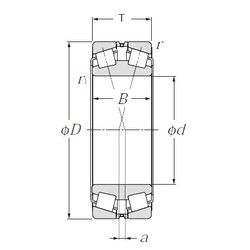
323152 — Конический роликоподшипник, импортное производство по ISO стандарту, размер 260x440x144 основное исполнение.
Производитель: NTN.
Цена по запросу
Цена на подшипник зависит от:
Габаритные размеры
Размеры и геометрические характеристики
Нагрузка и ресурс
Защита
Коэффициенты для расчета
Присоединительные размеры
Конструкция и исполнение
Подшипник роликовый сферический 23152 (FAG, ISB)
Подшипник роликовый радиальный сферический двухрядный с бортиками на внутреннем кольце с цилиндрическим отверстием внутреннего кольца 3003752
Подшипник роликовый сферический 23152 E1 (FAG)
Подшипник роликовый сферический 23152 CCK.C4W33 (FAG)
Подшипник роликовый сферический 23152 CCK.C3W33 (FAG)