Главная > Подшипники> Роликовые > Радиально-упорные>323140

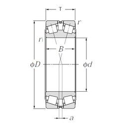
323140 — Конический роликоподшипник, импортное производство по ISO стандарту, размер 200x340x112 основное исполнение.
Производитель: NTN.
Цена по запросу
Цена на подшипник зависит от:
Габаритные размеры
Размеры и геометрические характеристики
Нагрузка и ресурс
Защита
Коэффициенты для расчета
Присоединительные размеры
Конструкция и исполнение
Подшипник роликовый сферический 23140 (FAG, FBJ, ISB)
Подшипник роликовый сферический 23140 B.MB.C3 (FAG)
Подшипник роликовый сферический 23140 E1.K.C3 (FAG)
Подшипник роликовый сферический 23140 E1.K (FAG)
Подшипник роликовый сферический 23140 E1.C3 (FAG)
Подшипник роликовый сферический 23140 CCK.W33 (FAG, SKF)