Главная > Подшипники> Роликовые > Радиально-упорные>323138

323138 — Конический роликоподшипник, импортное производство по ISO стандарту, размер 190x320x104 основное исполнение.
Производитель: NTN.
Цена по запросу
Цена на подшипник зависит от:
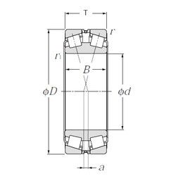
Габаритные размеры
Размеры и геометрические характеристики
Нагрузка и ресурс
Защита
Коэффициенты для расчета
Присоединительные размеры
Конструкция и исполнение
Подшипник роликовый сферический 23138 (ISB, SKF)
Подшипник роликовый сферический 23138 CC.C3W33 (SKF)
Подшипник роликовый сферический 23138 E1A.M.C3 (SKF)
Подшипник роликовый сферический 23138 E1A.K.M.C3 (SKF)
Подшипник роликовый сферический 23138 CKE4 (NSK, SKF)
Подшипник роликовый сферический 23138 CCK.C3W33 (SKF)