Главная > Подшипники> Роликовые > Радиально-упорные>323134E1

323134E1 — Конический роликоподшипник, импортное производство по ISO стандарту, размер 170x280x88 номер основного исполнения 323134.
Производитель: NTN.
E1 = Проектирование повышенной емкости.
Цена по запросу
Цена на подшипник зависит от:
| Обозначение | Модификация |
|---|---|
| 323134 | Основное конструктивное исполнение. |
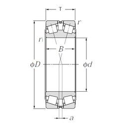
Габаритные размеры
Размеры и геометрические характеристики
Нагрузка и ресурс
Защита
Коэффициенты для расчета
Присоединительные размеры
Конструкция и исполнение
Подшипник роликовый сферический 23134 (ISB, NSK)
Подшипник роликовый сферический 23134 CAME4 (NSK)
Подшипник роликовый сферический 23134 E1A.M.C3 (NSK)
Подшипник роликовый сферический 23134 E1A.K.M.C3 (NSK)
Подшипник роликовый сферический 23134 E1A.K.M (FAG, NSK)
Подшипник роликовый сферический 23134 CCK.W33 (NSK, SKF)