Главная > Подшипники> Роликовые > Радиально-упорные>323126

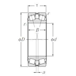
323126 — Конический роликоподшипник, импортное производство по ISO стандарту, размер 130x210x64 основное исполнение.
Производитель: NTN.
Цена по запросу
Цена на подшипник зависит от:
Габаритные размеры
Размеры и геометрические характеристики
Нагрузка и ресурс
Защита
Коэффициенты для расчета
Присоединительные размеры
Конструкция и исполнение
Подшипник роликовый сферический 23126 (ISB, SKF)
Подшипник роликовый сферический 23126 CC.C3W33 (SKF)
Подшипник роликовый сферический 23126 K.MC3W33 (SKF)
Подшипник роликовый сферический 23126 K.M.W33 (SKF)
Подшипник роликовый сферический 23126 E1A.M.C3 (SKF)
Подшипник роликовый сферический 23126 E1A.K.M.C3 (SKF)