Главная > Подшипники> Роликовые > Радиально-упорные>32308JR

32308JR — Однорядный конический роликовый подшипник, импортное производство по ISO стандарту, размер 40x90x35 номер основного исполнения 32308.
Производитель: KOYO.
J = Сепаратор стальной штампованный незакалённый.
Цена от:710 р.
Цена на подшипник зависит от:
| Обозначение | Модификация |
|---|---|
| 32308 | Основное конструктивное исполнение. |
| 32308F | Механически обработанный сепаратор из стали или чугуна, центрируемый по телам качения. |
| 32308A | A = внутренняя модификация конструкции. |
| 32308C | С = Необслуживаемые концы стержней, внутренняя резьба. |
| 32308U | |
| 32308 J | J = Сепаратор стальной штампованный незакалённый. |
| 32308-B | B = однокомпонентное ребристое внутреннее кольцо. |
| 32308BA | A = внутренняя модификация конструкции. |
| 32308CN | С = Необслуживаемые концы стержней, внутренняя резьба. |
| 32308BF | Механически обработанный сепаратор из стали или чугуна, центрируемый по телам качения. |
| E32308J | J = Сепаратор стальной штампованный незакалённый. |
| 32308 J2 | J = Сепаратор стальной штампованный незакалённый. |
| HR32308J | J = Сепаратор стальной штампованный незакалённый. |
| 32308J2/Q | Q = тихий ход работы подшипника. |
| 32308BC12 | С1 = Внутренний зазор подшипника меньше С2. |
| 4T-32308C | С = Необслуживаемые концы стержней, внутренняя резьба. |
| 7608 (32308) | |
| X32308/Y32308 | 8Y = Упорный шарикоподшипник двойного направления. |
| X32308B/Y32308B | Y = Штампованный латунный сепаратор, центрируемый по телам качения. |
| XBA32308B/Y32308B | Y = Штампованный латунный сепаратор, центрируемый по телам качения. |
| ET-32308CSAT/36.512PX3 | CS = Контактное уплотнение из бутадиенакрилнитрильного каучука (NBP) с армированной листовой сталью с одной стороны подшипника. |
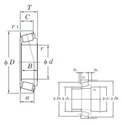
Габаритные размеры
Размеры и геометрические характеристики
Нагрузка и ресурс
Защита
Коэффициенты для расчета
Присоединительные размеры
Конструкция и исполнение
Подшипник роликовый радиально-упорный 2В0-7608 А1Ш2 (ГПЗ-1)
Подшипник роликовый радиально-упорный 2В0-7608 А (ГПЗ-1)
Подшипник роликовый радиально-упорный 2В0-7608 А1 (ГПЗ-1)
Подшипник роликовый радиально-упорный 2В0-7608 АШ2 (ГПЗ-1)
Подшипник роликовый радиально-упорный 4-7608 К6 (ГПЗ-1)
Подшипник роликовый радиально-упорный 4-7608 К6Ш