Главная > Подшипники> Роликовые > Радиально-упорные>323038E1

323038E1 — Конический роликоподшипник, импортное производство по ISO стандарту, размер 190x290x75 номер основного исполнения 323038.
Производитель: NTN.
E1 = Проектирование повышенной емкости.
Цена по запросу
Цена на подшипник зависит от:
| Обозначение | Модификация |
|---|---|
| 323038 | Основное конструктивное исполнение. |
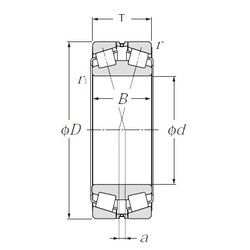
Габаритные размеры
Размеры и геометрические характеристики
Нагрузка и ресурс
Защита
Коэффициенты для расчета
Присоединительные размеры
Конструкция и исполнение
Подшипник роликовый сферический 23038 (FBJ, ISB, SKF)
Подшипник роликовый сферический 23038 CAME4C3 (SKF)
Подшипник роликовый сферический 23038 CC.C3W33 (SKF)
Подшипник роликовый сферический 23038 E1A.M.C3 (SKF)