Главная > Подшипники> Роликовые > Радиально-упорные>323036E1

323036E1 — Конический роликоподшипник, импортное производство по ISO стандарту, размер 180x280x74 номер основного исполнения 323036.
Производитель: NTN.
E1 = Проектирование повышенной емкости.
Цена по запросу
Цена на подшипник зависит от:
| Обозначение | Модификация |
|---|---|
| 323036 | Основное конструктивное исполнение. |
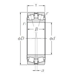
Габаритные размеры
Размеры и геометрические характеристики
Нагрузка и ресурс
Защита
Коэффициенты для расчета
Присоединительные размеры
Конструкция и исполнение
Подшипник роликовый сферический 23036 (FBJ, ISB, SKF)
Подшипник роликовый цилиндрический двухрядный NN3036 (CX, FAG, ISO, KOYO, NACHI)
Подшипник роликовый радиальный двухрядный с короткими цилиндрическими роликами с коническим отверстием внутреннего кольца с бортами на внутреннем кольце 3182136
Подшипник роликовый сферический 23036 CC.C3W33 (SKF)
Подшипник роликовый сферический 23036 CCK.C3W33 (SKF)
Подшипник роликовый сферический 23036 E1A.K.M (FAG, SKF)