Главная > Подшипники> Роликовые > Радиально-упорные>323034

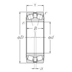
323034 — Конический роликоподшипник, импортное производство по ISO стандарту, размер 170x260x67 основное исполнение.
Производитель: NTN.
Цена по запросу
Цена на подшипник зависит от:
Габаритные размеры
Размеры и геометрические характеристики
Нагрузка и ресурс
Защита
Коэффициенты для расчета
Присоединительные размеры
Конструкция и исполнение
Подшипник роликовый сферический 23034 (FBJ, ISB, SKF)
Цилиндрический роликоподшипник NN3034 (CX, FAG, ISO, KOYO, NACHI)
Подшипник роликовый радиально-упорный 46234 (KOYO)
Подшипник роликовый радиальный двухрядный с короткими цилиндрическими роликами с коническим отверстием внутреннего кольца с бортами на внутреннем кольце 3182134
Подшипник роликовый радиальный двухрядный с короткими цилиндрическими роликами с цилиндрическим отверстием внутреннего кольца с бортами на внутреннем кольце 3282134
Подшипник роликовый сферический 23034 CC.C3W33 (SKF)