Главная > Подшипники> Роликовые > Радиально-упорные>323/22R

323/22R — Подшипник роликовый радиально-упорный, импортное производство по ISO стандарту, размер 22x56x22 номер основного исполнения .
Производитель: KOYO.
R = Наружное кольцо с фланцем .
Цена от:389 р.
Цена на подшипник зависит от:
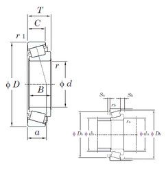
Габаритные размеры
Размеры и геометрические характеристики
Нагрузка и ресурс
Защита
Коэффициенты для расчета
Присоединительные размеры
Конструкция и исполнение