Главная > Подшипники> Роликовые > Радиально-упорные>32260J2/HA1

32260J2/HA1 — Конический роликоподшипник, импортное производство по ISO стандарту, размер 300x540x149 номер основного исполнения 32260.
Производитель: SKF.
HA1 = Закаленное внутреннее и наружное кольцо.
Цена по запросу
Цена на подшипник зависит от:
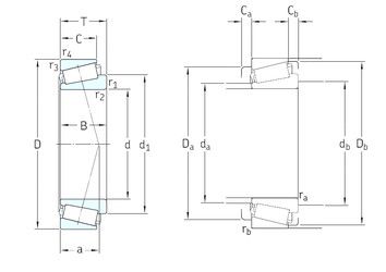
Габаритные размеры
Размеры и геометрические характеристики
Нагрузка и ресурс
Защита
Коэффициенты для расчета
Присоединительные размеры
Конструкция и исполнение