Главная > Подшипники> Роликовые > Радиально-упорные>32221JR

32221JR — Однорядный конический роликовый подшипник, импортное производство по ISO стандарту, размер 105x190x53 номер основного исполнения 32221.
Производитель: KOYO.
J = Сепаратор стальной штампованный незакалённый.
Цена от:5 158 р.
Цена на подшипник зависит от:
| Обозначение | Модификация |
|---|---|
| 32221 | Основное конструктивное исполнение. |
| 32221F | Механически обработанный сепаратор из стали или чугуна, центрируемый по телам качения. |
| 32221U | |
| 32221-A | A = внутренняя модификация конструкции. |
| E32221J | J = Сепаратор стальной штампованный незакалённый. |
| 32221-XL | X = Внешние размеры, соответствующие международным стандартам. L = массивный сепаратор из лёгкого сплава. |
| 32221 J2 | J = Сепаратор стальной штампованный незакалённый. |
| 432221XU | X = Внешние размеры, соответствующие международным стандартам. |
| HR32221J | J = Сепаратор стальной штампованный незакалённый. |
| 46T32221JR/95 | R = Наружное кольцо с фланцем . |
| X32221/Y32221 | Y = Штампованный латунный сепаратор, центрируемый по телам качения. |
| X32221M/Y32221M | Y = Штампованный латунный сепаратор, центрируемый по телам качения. |
| 32221-XL-DF-A230-280 | X = Внешние размеры, соответствующие международным стандартам. L = массивный сепаратор из лёгкого сплава. |
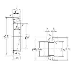
Габаритные размеры
Размеры и геометрические характеристики
Нагрузка и ресурс
Защита
Коэффициенты для расчета
Присоединительные размеры
Конструкция и исполнение