Главная > Подшипники> Роликовые > Радиально-упорные>32203JR

32203JR — Однорядный конический роликовый подшипник, импортное производство по ISO стандарту, размер 17x40x17 номер основного исполнения 32203.
Производитель: KOYO.
J = Сепаратор стальной штампованный незакалённый.
Цена от:284 р.
Цена на подшипник зависит от:
Габаритные размеры
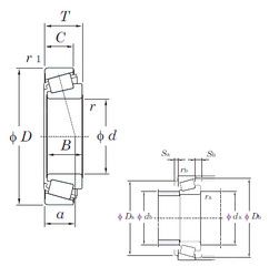
Размеры и геометрические характеристики
Нагрузка и ресурс
Защита
Коэффициенты для расчета
Присоединительные размеры
Конструкция и исполнение
Подшипник шариковый двухрядный радиально-упорный 3203 (CX, CYSD, ISO, KOYO, SIGMA)
Подшипник шариковый двухрядный радиально-упорный 3203 B.2RSR.TVH (FAG, SKF)
Подшипник шариковый радиальный однорядный с односторонним уплотнением 3160203
Подшипник шариковый радиальный однорядный с двухсторонним уплотнением 3180203
Подшипник шариковый радиально-упорный двухрядный 3056203 (ГПЗ-23)
Подшипник шариковый радиально-упорный 3056203 К1 (ГПЗ-23)