Главная > Подшипники> Роликовые > Радиально-упорные>32080

32080 — Конический роликоподшипник, импортное производство по ISO стандарту, размер 400x600x125 основное исполнение.
Производится брендами: NSK, NTN.
Цена по запросу
Цена на подшипник зависит от:
Габаритные размеры
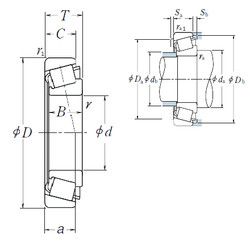
Размеры и геометрические характеристики
Нагрузка и ресурс
Защита
Коэффициенты для расчета
Присоединительные размеры
Конструкция и исполнение