Главная > Подшипники> Роликовые > Радиально-упорные>3197/3130

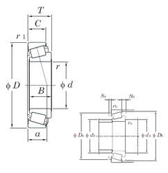
3197/3130 — Подшипник роликовый радиально-упорный, импортное производство по ISO стандарту, размер 33x72x29 номер основного исполнения .
Производитель: KOYO.
Цена по запросу
Цена на подшипник зависит от:
Габаритные размеры
Размеры и геометрические характеристики
Нагрузка и ресурс
Защита
Коэффициенты для расчета
Присоединительные размеры
Конструкция и исполнение
Конический роликоподшипник 3196/3120B (TIMKEN)
Конический роликоподшипник 3197/3120-B (TIMKEN)
Подшипник роликовый радиально-упорный 3196/3130 (KOYO)