Главная > Подшипники> Роликовые > Радиально-упорные>3194/3120

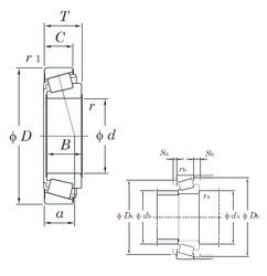
3194/3120 — Подшипник роликовый радиально-упорный, импортное производство по ISO стандарту, размер 32x72x29 номер основного исполнения .
Производитель: KOYO.
Цена по запросу
Цена на подшипник зависит от:
Габаритные размеры
Размеры и геометрические характеристики
Нагрузка и ресурс
Защита
Коэффициенты для расчета
Присоединительные размеры
Конструкция и исполнение
Подшипник роликовый радиально-упорный 6-7806 А
Подшипник роликовый радиально-упорный конический 7806
Подшипник роликовый радиально-упорный конический 7806 А
Конический роликоподшипник 4T-323/32CSTPX1V1 (NTN)
Конический роликоподшипник BT1B332909A/QHA1CL7C (SKF)
Конический роликоподшипник BT1B 332909A/QCL7C (SKF)