Главная > Подшипники> Роликовые > Радиально-упорные>3193/3120

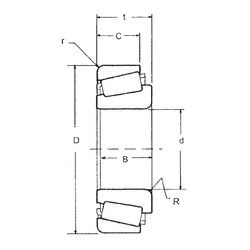
3193/3120 — Однорядный конический роликовый подшипник, импортное производство по ISO стандарту, размер 31x72x30 номер основного исполнения .
Производится брендами: CX, FBJ, ISO, TIMKEN.
Цена по запросу
Цена на подшипник зависит от:
Габаритные размеры
Размеры и геометрические характеристики
Нагрузка и ресурс
Защита
Коэффициенты для расчета
Присоединительные размеры
Конструкция и исполнение
Однорядный конический роликовый подшипник 3188/3120 (CX, FBJ, ISO, NIS, NSK)
Однорядный конический роликовый подшипник 3188S/3120 (CX, ISO)
Однорядный конический роликовый подшипник 3199/3120 (KOYO, TIMKEN)
Конический роликоподшипник 4T-3188S/3120 (NTN)
Конический роликоподшипник 4T-3193/3120 (NTN)
Конический роликоподшипник 4T-3188/3120 (NTN)