Главная > Подшипники> Шариковые> Упорные>319166 A

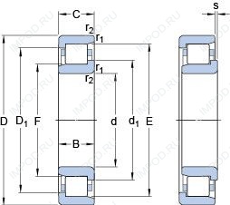
319166 A — Однорядный цилиндрический роликоподшипник, импортное производство по ISO стандарту, размер 1000x750x112 номер основного исполнения .
Производитель: SKF.
A = внутренняя модификация конструкции.
Цена по запросу
Цена на подшипник зависит от:
Габаритные размеры
Размеры и геометрические характеристики
Нагрузка и ресурс
Коэффициенты для расчета
Присоединительные размеры
Прочие характеристики