Главная > Подшипники> Роликовые > Радиально-упорные>3190S/3120

3190S/3120 — Подшипник роликовый радиально-упорный, импортное производство по ISO стандарту, размер 29x72x29 номер основного исполнения .
Производитель: KOYO.
S3 = Кольца подшипника стабилизированы для рабочих температур до + 300 С
Цена по запросу
Цена на подшипник зависит от:
Габаритные размеры
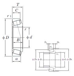
Размеры и геометрические характеристики
Нагрузка и ресурс
Защита
Коэффициенты для расчета
Присоединительные размеры
Конструкция и исполнение