Главная > Подшипники> Роликовые > Радиально-упорные>3190/3120

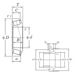
3190/3120 — Однорядный конический роликовый подшипник, импортное производство по ISO стандарту, размер 30x72x29 номер основного исполнения .
Производитель: KOYO.
Цена по запросу
Цена на подшипник зависит от:
Габаритные размеры
Размеры и геометрические характеристики
Нагрузка и ресурс
Защита
Коэффициенты для расчета
Присоединительные размеры
Конструкция и исполнение
Опорный ролик NUTR3072 (INA, NIS)
Опорный ролик NUTR3072 X (INA)
Подшипник шариковый радиальный 380806 АУ (ГПЗ-23)
Подшипник шариковый радиальный самоцентрирующийся 2В0-11206 К (ГПЗ-8)
Подшипник роликовый радиально-упорный 27606A (EPK)
Подшипник роликовый радиально-упорный 4-7606 У2Ш3 (ГПЗ-1)