Главная > Подшипники> Роликовые > Радиально-упорные>3188S/3130

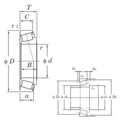
3188S/3130 — Подшипник роликовый радиально-упорный, импортное производство по ISO стандарту, размер 31x72x29 номер основного исполнения .
Производитель: KOYO.
S3 = Кольца подшипника стабилизированы для рабочих температур до + 300 С
Цена от:806 р.
Цена на подшипник зависит от:
Габаритные размеры
Размеры и геометрические характеристики
Нагрузка и ресурс
Защита
Коэффициенты для расчета
Присоединительные размеры
Конструкция и исполнение
Конический роликоподшипник 3188/3120-B (TIMKEN)
Конический роликоподшипник 3193/3120-B (TIMKEN)
Подшипник роликовый радиально-упорный 3188/3125 (KOYO)
Подшипник роликовый радиально-упорный 3188/3130 (KOYO)
Подшипник роликовый радиально-упорный 3193/3130 (KOYO)
Подшипник роликовый радиально-упорный 3188/3126 (KOYO)