Главная > Подшипники> Роликовые > Радиально-упорные>31304

31304 — Однорядный конический роликовый подшипник, импортное производство по ISO стандарту, размер 20x52x16 основное исполнение.
Производится брендами: FAG, SNR.
Цена по запросу
Цена на подшипник зависит от:
| Обозначение | Модификация |
|---|---|
| 31304/2T | T = Механически обработанный сепаратор из текстолита, центрируемый по телам качения. |
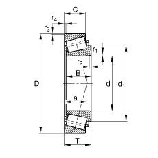
Габаритные размеры
Размеры и геометрические характеристики
Нагрузка и ресурс
Защита
Коэффициенты для расчета
Присоединительные размеры
Конструкция и исполнение
Однорядный конический роликовый подшипник 30304 (CRAFT, CYSD, FAG, FBJ, ISB)
Однорядный конический роликовый подшипник 30304 J (FAG, KBC)
Однорядный конический роликовый подшипник 30304 J2 (FAG)
Подшипник шариковый радиальный 1680204 АК7С17
Подшипник шариковый радиальный 1680204 АС17 (ГПЗ-8)
Подшипник роликовый радиально-упорный конический 6-7304