Главная > Подшипники> Шариковые> Радиально-упорные>310TVL625

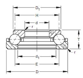
310TVL625 — Радиально-упорный шарикоподшипник, импортное производство по ISO стандарту, размер 787x1025x139 номер основного исполнения .
Производитель: TIMKEN.
TV = Твердая клетка из армированного стекловолокном полиамида, шариковая езда.
Цена по запросу
Цена на подшипник зависит от:
Габаритные размеры
Размеры и геометрические характеристики
Защита
Конструкция и исполнение