Главная > Подшипники> Роликовые > Игольчатые>30MM3720

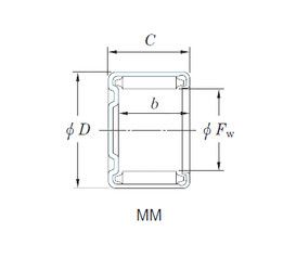
30MM3720 — Подшипник игольчатый радиальный, импортное производство по ISO стандарту, размер 30x37x20 номер основного исполнения .
Производитель: KOYO.
M = массивный латунный сепаратор.
Цена по запросу
Цена на подшипник зависит от:
Габаритные размеры
Размеры и геометрические характеристики
Нагрузка и ресурс
Защита
Конструкция и исполнение
Другие размеры
Подшипник игольчатый радиальный CK303720E (EPK)
Подшипник игольчатый радиальный HK303720 (EPK)
Подшипник роликовый игольчатый с наружным кольцом с плоским дном с сепаратором ВК303720
Подшипник радиальный роликовый игольчатый однорядный без колец К30X37X20
Подшипник роликовый игольчатый с наружным кольцом с профилированным дном без сепаратора НД303720
Подшипник роликовый игольчатый с наружным кольцом со сквозным отверстием без сепаратора НК303720