Главная > Подшипники> Роликовые > Радиально-упорные>30318JR

30318JR — Однорядный конический роликовый подшипник, импортное производство по ISO стандарту, размер 90x190x46 номер основного исполнения 30318.
Производитель: KOYO.
J = Сепаратор стальной штампованный незакалённый.
Цена от:3 760 р.
Цена на подшипник зависит от:
| Обозначение | Модификация |
|---|---|
| 30318R | R = Наружное кольцо с фланцем . |
| 30318D | D = профиль наружного кольца, усовершенствованный, с увеличенной зоной несущей нагрузки и оптимизированными краевыми переходами. |
| 30318U | |
| 430318U | |
| 30318-A | A = внутренняя модификация конструкции. |
| 30318DR | R = Наружное кольцо с фланцем . |
| 30318DU | DU = (RS1-SKF) = Уплотнительное контактное уплотнение из акрилонитрил-бутадиеновой резины (NBR) из листовой стали на одной стороне подшипника. |
| 30318DJR | R = Наружное кольцо с фланцем . |
| 430318DU | DU = (RS1-SKF) = Уплотнительное контактное уплотнение из акрилонитрил-бутадиеновой резины (NBR) из листовой стали на одной стороне подшипника. |
| HR30318J | J = Сепаратор стальной штампованный незакалённый. |
| 30318 J2 | J = Сепаратор стальной штампованный незакалённый. |
| HR30318DJ | D = профиль наружного кольца, усовершенствованный, с увеличенной зоной несущей нагрузки и оптимизированными краевыми переходами. |
| 7318 (30318) | |
| 46T30318JR/81 | R = Наружное кольцо с фланцем . |
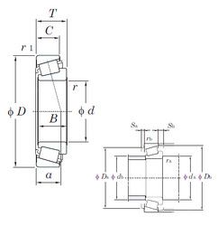
Габаритные размеры
Размеры и геометрические характеристики
Нагрузка и ресурс
Защита
Коэффициенты для расчета
Присоединительные размеры
Конструкция и исполнение
Подшипник роликовый радиально-упорный 30-318 (CRAFT, CYSD, FBJ, ISB, ISO)
Однорядный конический роликовый подшипник 31318 (CYSD, FAG, ISB, ISO, NIS)
Однорядный конический роликовый подшипник 31318F (Fersa)
Однорядный конический роликовый подшипник 31318A (CX, ZVL)
Однорядный конический роликовый подшипник HR31318J (NSK)
Конический роликоподшипник X31318M/Y31318M (TIMKEN)