Главная > Подшипники> Роликовые > Радиально-упорные>30238JR

30238JR — Однорядный конический роликовый подшипник, импортное производство по ISO стандарту, размер 190x340x60 номер основного исполнения 30238.
Производитель: KOYO.
J = Сепаратор стальной штампованный незакалённый.
Цена от:38 899 р.
Цена на подшипник зависит от:
| Обозначение | Модификация |
|---|---|
| 30238 | Основное конструктивное исполнение. |
| 30238U | |
| 30238 A | A = внутренняя модификация конструкции. |
| 30238J2 | J = Сепаратор стальной штампованный незакалённый. |
| HR30238J | J = Сепаратор стальной штампованный незакалённый. |
| 30238J/DFC700 | Комплект подшипников расположенных лицом к лицу, дуплексная Х-образная пара. |
| 30238J2/DFC700 | Комплект подшипников расположенных лицом к лицу, дуплексная Х-образная пара. |
| 46T30238JR/105 | R = Наружное кольцо с фланцем . |
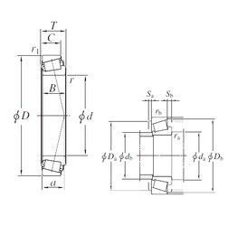
Габаритные размеры
Размеры и геометрические характеристики
Нагрузка и ресурс
Защита
Коэффициенты для расчета
Присоединительные размеры
Конструкция и исполнение