Главная > Подшипники> Роликовые > Радиально-упорные>30211-XL

30211-XL — Однорядный конический роликовый подшипник, импортное производство по ISO стандарту, размер 55x100x22 номер основного исполнения 30211.
Производитель: FAG.
X = Внешние размеры, соответствующие международным стандартам. L = массивный сепаратор из лёгкого сплава.
Цена от:838 р.
Цена на подшипник зависит от:
| Обозначение | Модификация |
|---|---|
| 30211 | Основное конструктивное исполнение. |
| 30211F | Механически обработанный сепаратор из стали или чугуна, центрируемый по телам качения. |
| 30211A | A = внутренняя модификация конструкции. |
| 30211J | J = Сепаратор стальной штампованный незакалённый. |
| 30211CR | Однорядные радиальные роликоподшипники |
| 30211JR | R = Наружное кольцо с фланцем . |
| E30211J | J = Сепаратор стальной штампованный незакалённый. |
| 4T-30211 | |
| HR30211J | J = Сепаратор стальной штампованный незакалённый. |
| 30211J2/Q | Q = тихий ход работы подшипника. |
| 7211 (30211) | |
| X30211/Y30211 | Y = Штампованный латунный сепаратор, центрируемый по телам качения. |
| 46T30211JR/41.5 | R = Наружное кольцо с фланцем . |
| X30211M/Y30211M | Y = Штампованный латунный сепаратор, центрируемый по телам качения. |
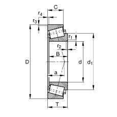
Габаритные размеры
Размеры и геометрические характеристики
Нагрузка и ресурс
Коэффициенты для расчета
Присоединительные размеры
Подшипник роликовый радиально-упорный конический 5-7211 (ГПЗ-9)
Подшипник роликовый радиально-упорный конический 6-7211 (ГПЗ-9)
Подшипник роликовый радиально-упорный 6-7211 А1 (ГПЗ-15)
Подшипник роликовый радиально-упорный 7211 А1