Главная > Подшипники> Роликовые > Радиально-упорные>30203-XL

30203-XL — Подшипник роликовый конический, импортное производство по ISO стандарту, размер 17x40x13 номер основного исполнения 30203.
Производитель: FAG.
X = Внешние размеры, соответствующие международным стандартам. L = массивный сепаратор из лёгкого сплава.
Цена от:288 р.
Цена на подшипник зависит от:
| Обозначение | Модификация |
|---|---|
| 30203 | Основное конструктивное исполнение. |
| 30203J | J = Сепаратор стальной штампованный незакалённый. |
| 30203F | Механически обработанный сепаратор из стали или чугуна, центрируемый по телам качения. |
| 30203 A | A = внутренняя модификация конструкции. |
| 30203J2 | J = Сепаратор стальной штампованный незакалённый. |
| 30203JR | R = Наружное кольцо с фланцем . |
| E30203J | J = Сепаратор стальной штампованный незакалённый. |
| 30203 EK | К = Коническая посадка, конусность 1:12. |
| 4T-30203 | |
| HR30203J | J = Сепаратор стальной штампованный незакалённый. |
| 7203 (30203) | |
| X30203/Y30203 | Y = Штампованный латунный сепаратор, центрируемый по телам качения. |
| HC30203JRZRS1 | S1 = Кольца подшипника стабилизированы для рабочих температур до + 200 С. |
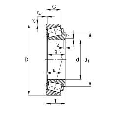
Габаритные размеры
Размеры и геометрические характеристики
Нагрузка и ресурс
Коэффициенты для расчета
Присоединительные размеры
Подшипник роликовый радиально-упорный 30-203 (ГПЗ-23)
Подшипник роликовый радиально-упорный конический 67203 (ГПЗ-1)
Подшипник шариковый радиальный 380203 (ГПЗ-13)
Подшипник шариковый радиальный 380203 А (ГПЗ-13)
Подшипник шариковый радиальный 380203 АС9 (ГПЗ-13)