Главная > Подшипники> Роликовые > Радиально-упорные>2984/2924

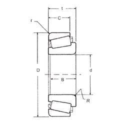
2984/2924 — Однорядный конический роликовый подшипник, импортное производство по ISO стандарту, размер 46x85x25 номер основного исполнения .
Производится брендами: CX, FBJ, ISO, KOYO, NIS, NSK, TIMKEN.
Цена от:1 518 р.
Цена на подшипник зависит от:
Габаритные размеры
Размеры и геометрические характеристики
Нагрузка и ресурс
Защита
Коэффициенты для расчета
Присоединительные размеры
Конструкция и исполнение
Прочие характеристики
Однорядный конический роликовый подшипник 2984A/2924 (TIMKEN)
Однорядный конический роликовый подшипник 2984/2924B (TIMKEN)
Однорядный конический роликовый подшипник 4T-2984/2924 (NTN)