Главная > Подшипники> Роликовые > Радиально-упорные>29585/29521

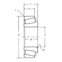
29585/29521 — Однорядный конический роликовый подшипник, импортное производство по ISO стандарту, размер 63x110x25 номер основного исполнения .
Производится брендами: CX, FBJ, ISO, KOYO, NACHI, TIMKEN.
Цена от:1 994 р.
Цена на подшипник зависит от:
Габаритные размеры
Размеры и геометрические характеристики
Нагрузка и ресурс
Защита
Коэффициенты для расчета
Присоединительные размеры
Конструкция и исполнение
Однорядный конический роликовый подшипник 29585/29521B (TIMKEN)
Конический роликоподшипник 29586/29521 (TIMKEN)
Конический роликоподшипник 4T-29585/29521 (NTN)